Fizika - 2013. ljeto, 32.

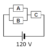
U krug istosmjerne struje napona 120 V uključena su tri jednaka otpornika, otpornik A, otpornik B i otpornik C, kao što je prikazano na crtežu. Odredite napon na krajevima svakoga otpornika.
$U_A$ =
$U_B$ =
$U_C$ =
ŠTO ČEKAŠ?

Isprobaj potpuno besplatno!

Registracijom dobivaš besplatan*
pristup dijelu lekcija za svaki predmet.

*Besplatan pristup ne zahtijeva unos kartice.
Online pripreme za maturu i instrukcije za srednju školu. Dostupno 24/7.
© 2025, Gradivo.hr