Instrukcije
Pripreme za maturu
Online skripte
Besplatni materijali
Isprobaj besplatno
Isprobaj besplatno
Fizika - 2010. ljeto, 9.
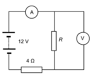
9. U strujnome krugu prikazanome na slici ampermetar pokazuje 2 A . Unutrašnji otpor baterije je zanemariv.
Koliki napon pokazuje voltmetar uz uvjet da su instrumenti idealni?
1 bod
Provjeri odgovore
ŠTO ČEKAŠ?
Isprobaj potpuno
besplatno!
Registracijom dobivaš besplatan*
pristup dijelu lekcija za svaki predmet.
*Besplatan pristup ne zahtijeva unos kartice.
ZA MATURANTE
Online pripreme
OD 1. DO 4. RAZREDA
Online instrukcije
Online pripreme za maturu i instrukcije za srednju školu. Dostupno 24/7.
Naša ponuda
Online instrukcije
Pripreme za maturu
Preuzmi sve mature
Besplatni materijali
Blog
Merch - eDrevnik i Tier listić
Online skripte
Kemija
Fizika
Matematika
Pravne stranice
Uvjeti korištenja
Politika privatnosti
© 2025, Gradivo.hr
Postavke kolačića
Samo premium korisnici imaju pristup cijelom video sadržaju
Pretplati se