Instrukcije
Pripreme za maturu
Online skripte
Besplatni materijali
Isprobaj besplatno
Fizika - 2023./24. jesen - 32
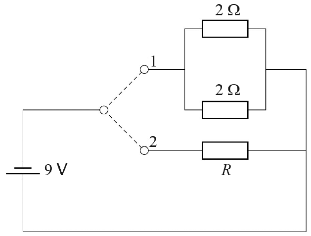
Slika prikazuje strujni krug koji se sastoji od idealne baterije napona 9 V , dva otpornika otpora
2
Ω
2 \Omega
2Ω
, otpornika nepoznatoga otpora
R
R
R
i sklopke.
Snaga koju daje baterija trostruko je veća kad je sklopka u položaju 1 nego kad je u položaju 2.
Koliki je otpor nepoznatoga otpornika?
R
=
R=
R
=
4 boda
Provjeri odgovore
Online pripreme za maturu i instrukcije za srednju školu. Dostupno 24/7.
Naša ponuda
Online instrukcije
Pripreme za maturu
Preuzmi sve mature
Besplatni materijali
Blog
Merch - eDrevnik i Tier listić
Online skripte
Kemija
Fizika
Matematika
Hrvatski
Engleski
Pravne stranice
Uvjeti korištenja
Politika privatnosti
© 2026, Gradivo.hr
Postavke kolačića
Isprobaj besplatno
ŠTO ČEKAŠ?
Isprobaj potpuno
besplatno!
Registracijom dobivaš besplatan*
pristup dijelu lekcija za svaki predmet.
*Besplatan pristup ne zahtijeva unos kartice.
ZA MATURANTE
Online pripreme
OD 1. DO 4. RAZREDA
Online instrukcije
Samo premium korisnici imaju pristup cijelom video sadržaju
Pretplati se