Fizika - 2018. jesen, 11.

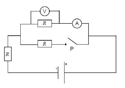
Na slici je prikazana shema strujnoga kruga s trima otpornicima jednakih otpora R i izvorom istosmjerne struje. Ampermetar A i voltmetar V mjere struju i napon prije uključivanja prekidača P. Kakve će vrijednosti struje i napona mjeriti ampermetar i voltmetar kada se prekidač P uključi?
ŠTO ČEKAŠ?

Isprobaj potpuno besplatno!

Registracijom dobivaš besplatan*
pristup dijelu lekcija za svaki predmet.

*Besplatan pristup ne zahtijeva unos kartice.
© 2025, Gradivo.hr